
Client:
Quantity:
Size:
Application:

The rotary valve by design provides a more metered approach to product flow due to the rotary being in the material path. In this application the rotary was determined to be the bottleneck that was restricting the loading capabilities.
A drum valve was selected because it has a similar footprint as the rotary but the more open throughput of the drum valve allows material to flow through it more freely.

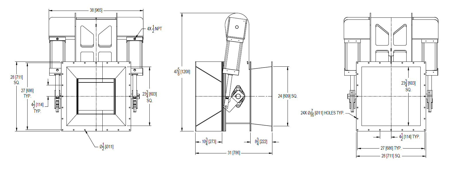
This 14” Drum Valve features a custom 24” inlet and outlet. It is also setup for use with an Infinite Variable Position (IVP) control allowing for 0-100 metering capabilities.
VORTEX VALVES MODEL NO. LSRDV-14X14-E122502. 14" DRUM VALVE.
• The product chamber of this unit is constructed of mild steel.
• Precision Machined blade constructed of stainless steel.
• Multi-layer blade seal kits are constructed of heavy duty felt, industrial strength neoprene, and 304 stainless steel which improves seal rigidity. The seal is also equipped with a weather guard which protects the seal from moisture.
• Two piece inlet design allows blade seal to be replaced in line.
• Compact fabricated design limits weight of unit for easier install.
• Designed specifically for Vortex Aero Slide conveyor. Valve includes aeration inlet for manual balance valve which aids in material fluidization through the valve.
• Customizations on this particular model. (E122502) - FABRICATED ROTARY CUTOFF DRUM VALVE TO SHUT OFF FLOW UNDER A SILO. INLET FLANGE TO MATCH CUSTOMER'S 24" SQ. FLANGE PATTERN, AND SET UP FOR IVP. SHAFT SEALS TO HAVE PACKING TYPE DESIGN.
REF# V183332

